Scroll kompresszor
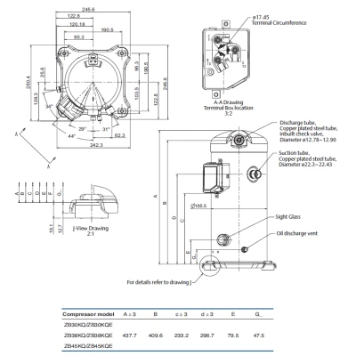
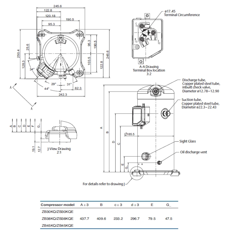
Kompresszor Copeland ZB45 KQE TFD-558
Szállítóteljesítmény: 17,1 m3/h
Alkalmazás: MBP
Feszültség/frekvencia: 400V ~ 50Hz
Hűtőközeg: R134a / R450A / R513A / R404A / R448A / R449A / R407A / R407F / R407C
Nyomó oldali forrasztós csatlakozó: 1/2"
Szívó oldali forrasztós csatlakozó: 7/8"
Olaj típusa: észterolaj
Olajtöltet: 1,77 l
Cikkszám: CIKK/T/01923
| Alkalmazási tartomány | MBP |
|---|---|
| Fázis | 3 Fázisú |
| Kivitel | Forrasztós |
| Márka | Copeland |
Hasonló termékek
-
-
Kompresszor Scroll SZ 240 / SY 240-A4PBI/PBF 120H2169 Maneurop
1 299 600 Ft + ÁFA -
-
-

