Scroll kompresszor
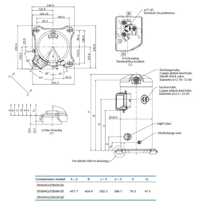
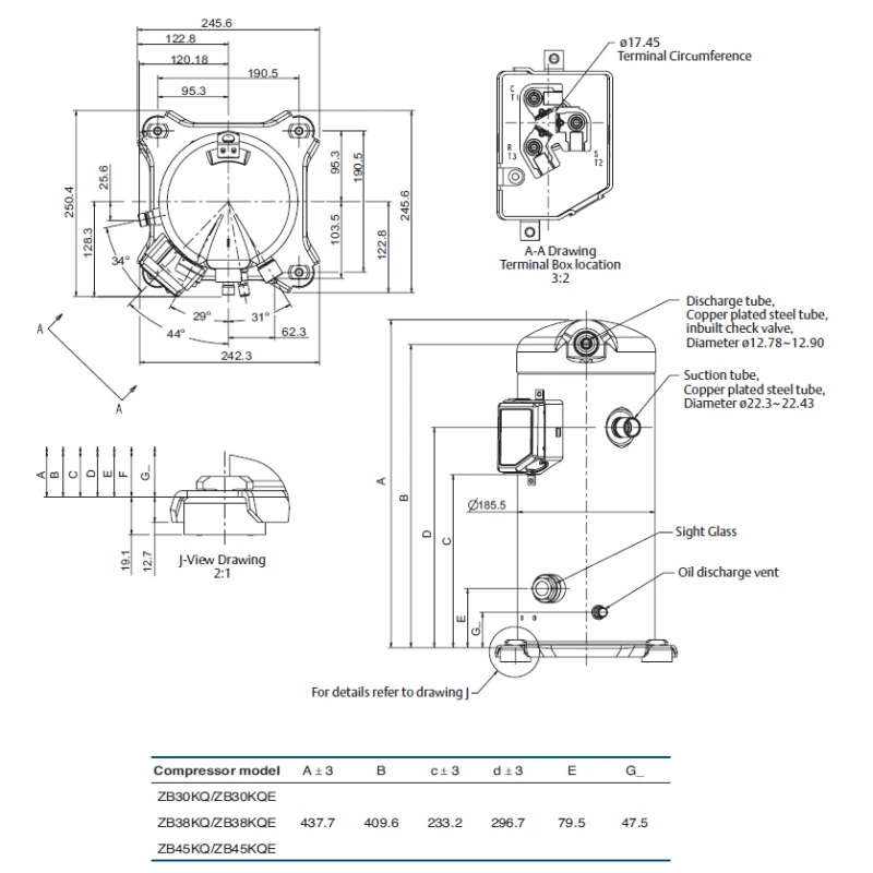
Kompresszor Copeland ZB38 KQE TFD-558
Szállítóteljesítmény: 14,4 m3/h
Alkalmazás: MBP
Feszültség/frekvencia: 400V ~ 50Hz
Hűtőközeg: R134a / R450A / R513A / R404A / R448A / R449A / R407A / R407F / R407C
Nyomó oldali forrasztós csatlakozó: 1/2"
Szívó oldali forrasztós csatlakozó: 7/8"
Olaj típusa: észterolaj
Olajtöltet: 2,07 l
Cikkszám: CIKK/T/01921
| Alkalmazási tartomány | MBP |
|---|---|
| Fázis | 3 Fázisú |
| Kivitel | Forrasztós |
| Márka | Copeland |

